| Cod produs: | PREXTHERMRSW1890 | ||
| Producator: | FERROLI | ||
|
Contact: +40787531154 Email: comenzi@arenainstalatiilor.ro |
Caracteristici tehnice cazan din otel cu flacara intoarsa in focar Ferroli Prextherm RSW 1890
Putere termica focar: 2054 kW
Putere termica utila: 1890 kW
Randament Pmax (80-60/50-30 grdC): 92 %
Randament 30%: 93,8 %
Presiune max. de functionare incalzire: 6 bar
Contrapresiune in focar: 7 mbar
Continut apa incalzire: 1630 dmc
Racord tur: 150"
Racord retur: 150"
Racord cos fum: 450 mm
Capacitate boiler: 2000 litri
Greutate: 2850 kg
Garantie: 2 ani
Cazanul nu contine arzatorul si nici panoul de comanda. Acestea se comanda separat. Va rugam sa accesati sectiunea de produse complementare.
Descriere generala cazan din otel cu flacara intoarsa in focar Ferroli Prextherm RSW
Corpul cazanului este fabricat în întregime din oțel, complet căptușit cu un strat de 80 mm de vată de sticlă cu densitate ridicata. Stratul de sticla este la randul său acoperit de un strat puternic de material rezistent la rupere .
Camera de ardere presurizata, este complet protejata si racita de un sistem ce asigura divizarea uniforma a apei reci de retur pentru a evita diferentele mari de temperatura.
Presiunea maxima de operare este de 6 bar.Arzătorul nu este aliniat cu camera de ardere, ci este mutat mai in jos. Acest lucru ajută la inversarea flacarii, reduce pierderea de presiune a gazelor de ardere și, prin urmare, extinde gama de aplicatii a cazanelor.
Tuburlatura plasata deasupra cazanului de ardere permite trecerea gazelor de ardere printr-o sectiune fierbinte a cazanului si in consecinta reduce posibilitatea de formare a condensarii.
Tubulatura ofera un design nou capabil sa creasca schimbul de caldura, fara sa afecteze scaderea presiunii in boiler.
Usa de la intrare este cu deschidere reversibila (dreapta și stânga) și sistemul de închidere inovator cu reglaj micrometric pe placa din față a cazanului.
Pachetul de livrare contine: corpul din oțel, carcasa. Controlul prin satelit se comanda separat.
Principul de functionare cazan din otel cu flacara intoarsa in focar Ferroli Prextherm RSW

Cazanele PREXTHERM RSW sunt echipate cu un focar cilindric orb, in interiorul caruia flacara arzatorului este deviata periferic catre camera de fum anterioara, de unde gazele arse intra in tevile de fum, la iesirea carora sunt colectate in camera de fum posterioara si de aici sunt trimise la cos. Camera de ardere este sub presiune pe intreaga durata a functionarii arzatorului.
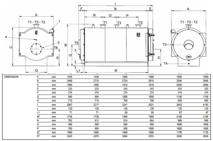
Dimensiuni cazan din otel cu flacara intoarsa in focar Ferroli Prextherm RSW
